您当前的位置:成果库 > 一种dB线性超宽带可变增益放大器
基本信息
- 成果类型 高等院校
- 委托机构 西安电子科技大学
- 成果持有方 西安电子科技大学
- 行业领域 电子元器件
- 项目名称 一种dB线性超宽带可变增益放大器
- 知识产权 发明专利
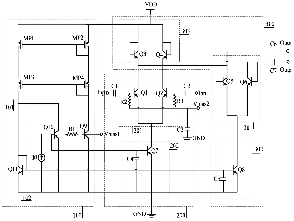
- 项目简介 本发明公开了一种dB线性超宽带可变增益放大器。该可变增益放大器由可变跨导放大器单元、可变负载阻抗单元和增益控制单元组成。所述的可变跨导放大器单元将输入电压信号转换成电流信号,该电流信号经由所述的可变负载阻抗单元转换成电压信号输出。可变跨导放大器单元和可变负载阻抗单元均由尾电流源偏置,该尾电流源的电流值均由所述的增益控制单元控制,故可变跨导放大器单元和可变负载阻抗单元的跨导由增益控制单元调节。增益由可变跨导放大器单元与可变负载阻抗单元的跨导之比决定,增益控制单元合适地调节其跨导即可得到dB线性控制特性。
-
交易信息
- 意向交易额 面议
- 挂牌时间 2018/01/05
- 委托机构 西安电子科技大学
- 联系人姓名 王小刚
- 联系人电话 15802954800
- 联系人邮箱 745490733@qq.com
- 分享至:


465
2018/08/20
咨询成果
发布成果